Details
BỘ ĐIỀU KHIỂN BẺ GHI TẦU HỎA PIKO SIZE G
Tỷ lệ G (1:22,5)
Cần có ba phụ kiện sau đây để kiểm soát cử tri đi bầu bằng điện:
Bộ điều khiển công tắc điện 35271 (cần lắp 1 công tắc với 1 35271)
Bộ điều khiển công tắc 35260 G (1 bộ điều khiển có thể điều khiển 4 công tắc)
35005 Máy Biến Áp 230/22V DC:32VA
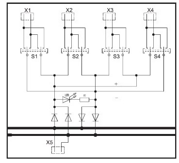
Sơ đồ kết nối như sau:



Mỗi phụ kiện được thể hiện trong hình:
Bộ điều khiển công tắc điện 35271 (cần lắp 1 công tắc 1 35271)

Bộ điều khiển công tắc 35260 G (một bộ điều khiển có thể điều khiển 4 công tắc)

35005 Máy Biến Áp 230/22V DC:32VA

